6" Series - Diffuser
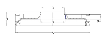
| NO | PRODUCT NAME | ITEM NO | VANE NO | OD | INNER | BORE DIA WITH S.S RING | RING HEIGHT | HEIGHT |
|---|---|---|---|---|---|---|---|---|
| NO | NO | (Ø) | DIA (Ø | WITH S.S .RING (Ø) | S.S INSERT (mm) | (mm) | ||
| A | B | C | D | H | ||||
| 1 | SHALLOW WELL DIFFUSER | 10780000 | 5 | 159.5 | 41 | 47.3 | 10 | 31.3 |
| 2 | SHALLOW WELL DIFFUSER (B) | 10780001 | 5 | 159.5 | 41 | 47.3 | 10 | 31.3 |
| NO | PRODUCT NAME | ITEM | VANE | OD | ID | VANE | BORE | HEIGHT | BORE |
|---|---|---|---|---|---|---|---|---|---|
| NO | NO | (Ø) | (Ø) | DEPTH | DIA (Ø) | (mm) | HEIGHT (mm) | ||
| 1 | K152 DIFFUSER 1 | 11000000 | 4 | 114.8 | 89 | 17 | 26.3 | 35.2 | 10 |
| 2 | K152 DIFFUSER 2 | 11000000M | 4 | 115 | 88.5 | 17 | 25.0 | 35.3 | 10 |
| 3 | K212 DIFFUSER | 11050000 | 6 | 114 | X | 18.1 | 28 | 22.3 | 12.5 |
| 4 | 100 HH DIFFUSER | 11080000 | 6 | 127 | X | 11.5 | 30 | 23.5 | 8.5 |
| 5 | V-8 GUIDE VANE | 11390000 | 9 | 152.5 | 125.5 | 12.9 | 36.15 | 33.5 | 14.5 |
| 6 | N TYPE GUIDE VANE | 11400000 | 9 | 110.5 | 92 | 6.3 | 25.2 | 18.7 | 8.2 |
| 7 | SU-TYPE GUIDE VANE | 11410000 | — | 110 | 84.9 | 6.3 | 24.5 | 24.5 | 11.8 |