4" Series - K Type Impeller
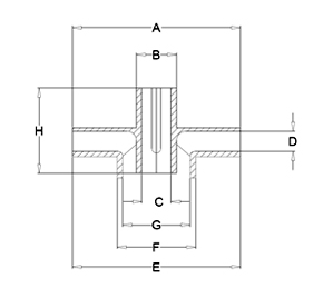
| NO | KORA SERIES IMPELLER | ITEM | VANE | GAP | BOTTOM | BOSS | SHAFT | SUCTION | SUCTION | CAP | LENGTH |
|---|---|---|---|---|---|---|---|---|---|---|---|
| NO | NO | (mm) | (Ø)OD | (Ø)OD | (Ø)ID+KEY | (Ø)OD | (Ø)OD | (Ø)OD | (mm) | ||
| D | A | B | C | F | G | E | H | ||||
| 1 | K-1 (N) IMPELLER | 10010000 | 5 | 2.9 | 70 | 18.9 | 14 | 32.65 | 26.3 | 76 | 22.6 |
| 2 | K-2 (N) IMPELLER | 10050000 | 8 | 3.8 | 69 | 18.9 | 14 | 32.65 | 26.3 | 74 | 22.6 |
| 3 | K-4 (N) IMPELLER | 10100000 | 7 | 3.7 | 68 | 18.9 | 14 | 32.65 | 29.2 | 74 | 25.5 |
| 4 | K-4 A (N) IMPELLER | 10110000 | 8 | 4.1 | 68 | 18.9 | 14 | 32.65 | 29.2 | 74 | 25.5 |
| 5 | KG-4 (N) IMPELLER | 10120000 | 8 | 3.9 | 68 | 18.9 | 14 | 32.65 | 29.2 | 74 | 25.5 |
| 6 | K-5 (N) IMPELLER | 10130000 | 7 | 6 | 65.2 | 18.9 | 14 | 43.90 | 38.0 | 74 | 34 |
| 7 | K-7A (N) IMPELLER | 10180000 | 8 | 8.8 | 64.6 | 18.9 | 14 | 43.90 | 38.0 | 74 | 34 |
| 8 | KG-7 (N) IMPELLER | 10170000 | 7 | 8.4 | 64.8 | 18.9 | 14 | 43.90 | 38.0 | 74 | 34 |
| 9 | K-1 (BLACK) IMPELLER | 10010001 | 5 | 2.9 | 70 | 18.9 | 14 | 32.65 | 26.3 | 76 | 22.6 |
| 10 | K-2 (BLACK) IMPELLER | 10050001 | 8 | 3.8 | 69 | 18.9 | 14 | 32.65 | 26.3 | 74 | 22.6 |
| 11 | K-4 (BLACK) IMPELLER | 10100001 | 7 | 3.7 | 68 | 18.9 | 14 | 32.65 | 29.2 | 74 | 25.5 |
| 12 | K-4 A (BLACK) IMPELLER | 10110001 | 8 | 4.1 | 68 | 18.9 | 14 | 32.65 | 29.2 | 74 | 25.5 |
| 13 | KG-4 (BLACK) IMPELLER | 10120001 | 8 | 3.9 | 68 | 18.9 | 14 | 32.65 | 29.2 | 74 | 25.5 |
| 14 | K-5 (BLACK) IMPELLER | 10130001 | 7 | 6 | 65.2 | 18.9 | 14 | 43.90 | 38.0 | 74 | 34 |
| 15 | K-7A (BLACK) IMPELLER | 10180001 | 8 | 8.8 | 64.6 | 18.9 | 14 | 43.90 | 38.0 | 74 | 34 |
| 16 | KG-7 (BLACK) IMPELLER | 10170001 | 7 | 8.5 | 64.8 | 18.9 | 14 | 43.90 | 38.0 | 74 | 34 |
| 17 | K-12 IMPELLER | 11700000 | 6 | 11 | 66.7 | 18.6 | 14 | 47.6 | 44 | 77.5 | 52 |
| 18 | Ø68 IMPELLER | 10220000 | 7 | 3.4 | 68 | 18.9 | 14 | 32.6 | 29.2 | 68 | 26 |
| 19 | Ø72 IMPELLER | 10240000 | 7 | 3.4 | 68 | 18.9 | 14 | 32.6 | 29.2 | 72 | 26 |
| 20 | K-4 (N) IMPELLER WITH S.S. INSERT | 10120100 | 8 | 3.9 | 71 | 18.9 | 14 | 32.6 | 29.2 | 68 | 26 |