Big Impeller
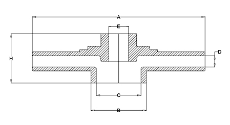
| NO | PRODUCT NAME | ITEM | VANE | VANE | OD | SUCTION | SUCTION | BORE / INSERT | HEIGHT |
|---|---|---|---|---|---|---|---|---|---|
| NO | NO | GAP (mm) | (Ø) | OD (Ø) | ID (Ø) | ID (Ø) | (mm) | ||
| D | A | B | C | E | H | ||||
| 1 | 0.5 HP IMPELLER | 10800000 M | 6 | 5.8/6.0 | 135 | 45.8 | 37.3 | BRASS INSERT MX10 | 25.15 |
| 0.5 HP IMPELLER | 10800000 | 6 | 5.8/6.0 | 135 | 46.3 | 37.3 | BRASS INSERT 5 HOLE | 25.15 | |
| 2 | 0.5 HP IMPELLER | 11520000 | 6 | 4.6 | 135 | 45.8 | 37.3 | BRASS INSERT | 23.5 |
| 3 | 1.0 HP IMPELLER | 10820000 M | 6 | 7.8/8.0 | 135.3 | 45.8 | 40.4 | BRASS INSERT MX10 | 25 |
| 4 | 1.0 HP IMPELLER | 11510000 | 6 | 5.7 | 135.3 | 45.8 | 40.4 | BRASS INSERT MX10 | 24.6 |
| 5 | 1.0 HP IMPELLER | 10820000 | 6 | 8 | 135.3 | 46.3 | 40.4 | BRASS INSERT 5 HOLE | 25 |
| 6 | Ø140 IMPELLER | 10900000 | 6 | 7 | 140 | 49.8 | 40.6 | BRASS INSERT M12X1.25 | 35 |
| 7 | Ø140 IMPELLER | 11500000 | 6 | 7 | 140 | 49.8 | 40.6 | BRASS INSERT M9/16 BSF | 29 |
| 8 | Ø155 IMPELLER | 10740000 | 6 | 3.9 | 155 | 41.5 | 28.1 | BRASS INSERT M16 | 36.5 |
| 9 | Ø155 IMPELLER | 11470000 | 6 | 3.9 | 155 | 41.5 | 28.1 | 15H7 + KEY WAY | 36 |
| 10 | Ø155 IMPELLER | 11480000 | 6 | 3.9 | 155 | 41.5 | 28.1 | 13H7 + KEY WAY | 36 |
| 11 | Ø155 IMPELLER | 10740100 | 6 | 3.9 | 155 | 41.5 | 28.1 | BRASS INSERT 15H7 + KEY WAY | 36 |
| 12 | TC-50 IMPELLER | 10880000 | 4 | 3.9/4.0 | 125 | 40 | 30.3 | 15H7+KEY WAY | 32 |
| 13 | TC-50 IMPELLER | 10880000 | 4 | 3.9/4.0 | 125 | 40 | 30.3 | BRASS INSERT M10X1.5 | 32 |
| 14 | TC-50 IMPELLER | 10880100 | 4 | 3.9/4.0 | 125 | 40 | 30.3 | BRASS INSERT 15H7+KEY WAY | 32 |
| 15 | KDS-116 IMPELLER | 10660000 | 5 | 7/7.2 | 122 | 64 | 52.5 | BRASS INSERT 16H7+KEY WAY | 50.5 |
| 16 | EMB 6/7 IMPELLER | 10920000 | 5 | 7.4/7.5 | 117 | 68 | 57 | 20H7+KEY WAY | 47 |
| 17 | KDS-128 IMPELLER | 10680000 | 4 | 4.75 | 154 | 51 | 42 | BRASS INSERT 14H7+KEY WAY | 41.5 |
| 18 | KDS-128 IMPELLER | 10680000 M/C | 4 | 4.75 | 154 | 51 | 42 | BRASS INSERT 16H7+KEY WAY | 41.5 |
| 19 | DC-1M IMPELLER | 10700000 | 4 | 5.25 | 126 | 51 | 42 | BRASS INSERT 13H7+KEY WAY | 35 |
| 20 | DC-0M IMPELLER | 10700000 M/C | 4 | 5.25 | 123 | 51 | 42 | BRASS INSERT 13H7+KEY WAY | 35 |
| 21 | KOSN IMPELLER | 10720000 | 4 | 4.6 | 154 | 39 | 32.1 | 16H7+KEY WAY | 39.5 |
| 22 | Ø138 IMPELLER | 10860000 | 6 | 7.3/7.4 | 138 | 45 | 40.5 | M12X1.25P | 33 |
| 23 | Ø113.5 IMPELLER | 10860000 | 6 | 7.3/7.4 | 113.5 | 45 | 40.5 | 12H7+KEY WAY | 33 |
| KOSN-0523 IMPELLER | 11520000 | 4 | 4.75 | 140 | 51 | 42 | BRASS INSERT 14H7+KEY WAY | 41.5 | |
| KOSN-0518 IMPELLER | 11530000 | 5 | 6 / 6.2 | 123.5 | 51 | 42 | BRASS INSERT 14H7+KEY WAY | 41.5 | |
| 24 | Ø155 IMPELLER | 10760000 | 10 | 2.5/2.7 | 155 | 38 | 28.7 | 16H7+KEY WAY | 44.2 |
| KJ-05 IMPELLER | 11550000 | 5 | 4 | 131 | 51 | 44.8 | BRASS INSERT 13H7+KEY WAY | 35 | |
| 25 | Ø146 IMPELLER | 10760000 M/C | 10 | 2.5/2.7 | 146 | 38 | 28.70 | M10X1.5 BRASS INSERT | 35.5 |
| DC-3M IMPELLER | 11570000 | 5 | 4 | 128 | 51 | 44.8 | BRASS INSERT 13H7+KEY WAY | 35 | |
| KV-30 IMPELLER | 11580000 | 12 | X | 110 | X | X | 24 | 80 | |
| KV-20 IMPELLER | 11590000 | 12 | X | 110 | X | X | 16 | 40.5 | |
| 26 | Ø152.5 IMPELLER | 10960000 | 6 | 4 | 152.5 | 49 | 36 | 18H7+KEY WAY | 45 |
| 27 | MCP-10S IMPELLER | 10940000 | 6 | 2.7/2.8 | 150 | 46.5 | 36.5 | 12H7+KEY WAY | 35 |
| 28 | Ø118 IMPELLER | 10860000 | 6 | 7.3/7.4 | 118 | 45 | 40.5 | 12H7+KEY WAY | 33 |