Home
4" Series - R Type Impeller
4" Series - R Type Impeller
4" Series - R Type Impeller
| NO |
R-SERIES IMPELLER |
ITEM |
VANE |
GAP |
BOTTOM |
BOSS OD |
SHAFT |
SUCTION |
SUCTION |
CAP |
LENGTH |
|
|
NO |
NO |
(mm) |
(Ø) OD |
(Ø) OD |
(Ø) ID+KEY |
(Ø) OD |
(Ø) ID |
(Ø) OD |
(mm) |
|
|
|
|
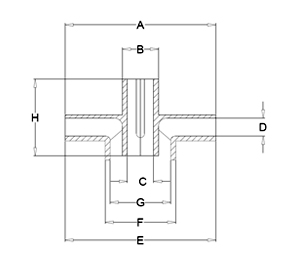
D |
A |
B |
C |
F |
G |
E |
H |
| 1 | R-00 (N) IMPELLER | 10260000 | 6 | 3 | 78.5 | 18.9 | 14 | 32.65 | 26.3 | 78.8 | 25.5 |
| 2 | R-1 (N) IMPELLER | 10270000 | 6 | 3.8 | 78.5 | 18.9 | 14 | 32.65 | 26.3 | 78.8 | 25.5 |
| 3 | R-2 (N) IMPELLER | 10310000 | 6 | 4.2 | 78.5 | 18.9 | 14 | 32.65 | 26.3 | 78.8 | 25.5 |
| 4 | R-2 (N) IMPELLER | 10320000 | 6 | 4.2 | 78.5 | 18.9 | 14 | 32.65 | 26.3 | 78.8 | 26 |
| 5 | R-2 (N) IMPELLER | 11360000 | 6 | 4.2 | 78.5 | 18.9 | 14 | 32.65 | 26.3 | 78.8 | 29.5 |
| 6 | R-3 (N) IMPELLER | 10330000 | 6 | 4.5 | 78 | 18.9 | 14 | 32.65 | 26.3 | 78.8 | 29.5 |
| 7 | R-3 (N) IMPELLER | 11370000 | 6 | 5 | 78 | 18.9 | 14 | 32.65 | 26.3 | 78.8 | 29.5 |
| 8 | R-5 (N) IMPELLER | 10350000 | 6 | 7 | 78 | 18.9 | 14 | 43.8 | 38.3 | 78.6 | 36.3 |
| 9 | R-5.5 (N) IMPELLER | 10400000 | 6 | 5.5 | 78.5 | 18.9 | 14 | 32.65 | 29.5 | 78.5 | 27 |
| 10 | R-7 (N) IMPELLER | 10390000 | 6 | 9 | 78 | 18.9 | 14 | 43.8 | 38.3 | 78.6 | 36.3 |